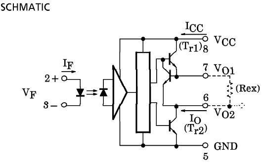
Product Summary
The TLP557 is a GaAlAs ired and photo IC. It is suitable for transistor invertor, inverter for air conditionor and power transistor base drive. The TLP557 consists of a GaAlAs light emitting diode and an integrated photodetector. This unit is 8-lead DIP package. The TLP557 is suitable for base driving circuit of power transistor module up to 20A. External resistor needs to connect between pin 6 and pin 7. This is for constant current driving.
Parametrics
TLP557 absolute maximum ratings: (1)LED, forward current, IF: 25mA; peak transient forward current, IFPT: 1A; reverse voltage, VR: 5V; junction temperature, Tj: 125℃; (2)detector, output current, IO: 0.32A; peak output current, IOP: 2A; output voltage, VO: 16V; supply voltage, VCC: 16V; O1 terminal to O2 terminal voltage, V1-2: 1.5V; O2 terminal to O1 terminal voltage, V2-1: 5V; power dissipation, Po: 0.5W; junction temperature, Tj: 125℃; (3)total package power dissipation, POT: 0.55W; (4)operating temperature range, Topr: -30 to 70℃; (5)storage temperature range, Tstg: -55 to 125℃; (6)lead solder temperature, Tsol: 260℃; (7)isolation voltage, BVS: 2500Vrms.
Features
TLP557 features: (1)input threshold current: IF=5mA max; (2)guaranteed performance temperature range: -30 to 70℃; (3)supply voltage: 16V max; (4)output current: ±0.3A max; (5)switching time: 5μs max; (6)isolation voltage: 2500Vrms min; (7)UL recognized.
Diagrams

| Image | Part No | Mfg | Description | ![]() |
Pricing (USD) |
Quantity | ||||||||||||
|---|---|---|---|---|---|---|---|---|---|---|---|---|---|---|---|---|---|---|
![]() |
![]() TLP557(F) |
![]() Toshiba |
![]() High Speed Optocouplers POWER TRANSISTOR DRIVER |
![]() Data Sheet |
![]()
|
|
||||||||||||
![]() |
![]() TLP557 |
![]() |
![]() PHOTOCPLR TRANS BASE DRIVE 8-DIP |
![]() Data Sheet |
![]() Negotiable |
|
||||||||||||
(Hong Kong)









